Fin morte saison dans
Jusqu'à -15% en commandant maintenant vos semences de Couverts-végétaux - Fourragères !
X
 019 86 05 55 (non surtaxé) ou service client (réponse sous 4H)

Pompe hydraulique pour tracteur STEYR 0510625315 adaptable

Référence : 370706 Expédié par Agryco

Pompe compatible avec les tracteurs STEYR, SAME, CASE IH, HOLDER, CARRARO, EICHER et HURLIMANN.

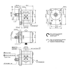
Caractéristiques :
• Débit : 16 cm3
• Diamètre axe : 15 - 17 mm
• Diamètre primitif aspiration : 40 mm
• Diamètre primitif pression : 35 mm
• Centrage : 80 mm
• Rotation max : 2000 tr/min
• Rotation min : 1 000 tr/min
• Rotation : gauche
• Pression max : 300 bars
• Type de fixation : fixation par bride ou vis traversante avec joint

Lire la suite

Modes de livraison disponibles pour ce produit

Ce produit est compatible avec

Marques

  • ANTONIO CARRARO
  • 450 | 4500
  • CASE IH
  • 1086
  • HURLIMANN
  • H 5110
  • SAME
  • ASTER 60 | ASTER 70
  • STEYR
  • 50 | 288 | 290 | 650 | 1090 | 1100 | 1200

Références d'origine

0510625315

Description du produit

Livraison EXPRESS
Oui
Poids (kg)
3,9
Cylindrée (cm³/t)
16
Diamètre Axe (mm)
15 - 17
Sens de rotation
Gauche
Convient pour
SAME|STEYR|CASE IH|HOLDER|CARRARO
Qualité de pièce
Adaptable
Vitesse de rotation max (tr/min)
2000
Pression max (bar)
300
Centrage (mm)
80
Type de fixation
Fixation par bride ou vis traversante avec joint